日本彌滿和YAMAWA先端絲攻系列(通孔用)S-
品牌:YAMAWA(彌滿和)
型號:G5DAEAAA44CF28
¥待詢價(提交訂單10分鐘內獲取專屬報價單)
深孔加工用螺旋絲攻
樣式特長

被削材和推薦的攻牙速度

■因絲攻螺紋部長度短,摩擦抗力小,切削油的供給變佳,加工大徑的2.5倍(2.5D)以上深度的內螺紋,效果優異的螺旋絲攻。



帶*為加大精度
品區:1C
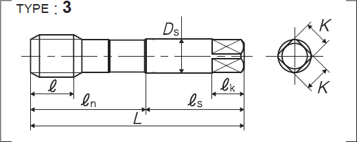
| 全長 | 吃入部+完全螺紋部的長度 | 螺紋部長 | 頸下長 | 柄部長 | 柄徑 | 四角部寬 | 四角部長 |
| L | et | e | en | es | Ds | K | ek |
| 尺寸 | 等級 | 產品編號 | 吃入部 | L (mm) |
et (mm) |
e (mm) |
en (mm) |
es (mm) |
Ds (mm) |
K (mm) |
ek (mm) |
溝數 | 構型 | 庫存 |
| 公制螺紋用 | ||||||||||||||
| M2×0.4 | P1 | SSMP2.0E | 2.5P | 42 | 4 | 7.2 | 12 | 27 | 3 | 2.5 | 5 | 2 | 1 | ○ |
| M2.3×0.4 | P1 | SSMP2.3E | 2.5P | 42 | 4 | 7.2 | 12 | 27 | 3 | 2.5 | 5 | 2 | 1 | △ |
| M2.5×0.45 | P1 | SSMP2.5F | 2.5P | 46 | 4 | 8.1 | 14 | 29 | 3 | 2.5 | 5 | 2 | 1 | △ |
| M2.6×0.45 | P1 | SSMP2.6F | 2.5P | 46 | 4 | 8.1 | 14 | 29 | 3 | 2.5 | 5 | 2 | 1 | △ |
| M3×0.5 | P1 | SSMP3.0G-3 | 2.5P | 46 | 5 | 9 | 14 | 26 | 4 | 3.2 | 6 | 3 | 1 | ◎ |
| *P3 | SSMR3.0G | △ | ||||||||||||
| M3.5×0.6 | P1 | SSMP3.5H-3 | 2.5P | 52 | 7 | 11 | 16 | 29 | 5 | 4 | 7 | 3 | 1 | △ |
| M4×0.7 | P2 | SSMQ4.0I | 2.5P | 52 | 7 | 11 | 17 | 29 | 5 | 4 | 7 | 3 | 1 | ◎ |
| *P3 | SSMR4.0I | △ | ||||||||||||
| M5×0.8 | P2 | SSMQ5.0K | 2.5P | 60 | 9 | 13 | 22 | 33 | 5.5 | 4.5 | 7 | 3 | 1 | ◎ |
| *P3 | SSMR5.0K | △ | ||||||||||||
| M6×1 | P2 | SSMQ6.0M | 2.5P | 62 | 11 | 15 | 26 | 33 | 6 | 4.5 | 7 | 3 | 1 | ◎ |
| *P3 | SSMR6.0M | △ | ||||||||||||
| M8×1.25 | P2 | SSMQ8.0N | 2.5P | 70 | - | 12 | - | 36 | 6.2 | 5 | 8 | 3 | 2 | ◎ |
| *P3 | SSMR8.0N | △ | ||||||||||||
| M8×1 | P2 | SSMQ8.0M | 2.5P | 70 | - | 12 | - | 36 | 6.2 | 5 | 8 | 3 | 2 | △ |
| M10×1.5 | P2 | SSMQ010O | 2.5P | 75 | - | 13 | - | 38 | 7 | 5.5 | 8 | 3 | 2 | ◎ |
| *P3 | SSMR010O | △ | ||||||||||||
| M10×1.25 | P2 | SSMQ010N | 2.5P | 75 | - | 13 | - | 38 | 7 | 5.5 | 8 | 3 | 2 | ○ |
| M10×1 | P2 | SSMQ010M | 2.5P | 75 | - | 13 | - | 38 | 7 | 5.5 | 8 | 3 | 2 | △ |
| M12×1.75 | P2 | SSMQ012P | 2.5P | 82 | - | 15 | - | 42 | 8.5 | 6.5 | 9 | 3 | 2 | ◎ |
| *P3 | SSMR012P | △ | ||||||||||||
| M12×1.5 | P2 | SSMQ012O | 2.5P | 82 | - | 15 | - | 42 | 8.5 | 6.5 | 9 | 3 | 2 | △ |
| M12×1.25 | P2 | SSMQ012N | 2.5P | 82 | - | 15 | - | 42 | 8.5 | 6.5 | 9 | 3 | 2 | ○ |
| M12×1 | P2 | SSMQ012M | 2.5P | 82 | - | 15 | - | 42 | 8.5 | 6.5 | 9 | 3 | 2 | △ |
| M14×2 | P2 | SSMQ014Q | 2.5P | 88 | - | 18 | - | 45 | 10.5 | 8 | 11 | 3 | 2 | ○ |
| M14×1.5 | P2 | SSMQ014O | 2.5P | 88 | - | 14 | - | 45 | 10.5 | 8 | 11 | 3 | 2 | ○ |
| M14×1 | P2 | SSMQ014M | 2.5P | 88 | - | 14 | - | 45 | 10.5 | 8 | 11 | 3 | 2 | △ |
| M16×2 | P2 | SSMQ016Q | 2.5P | 95 | - | 18 | - | 48 | 12.5 | 10 | 13 | 3 | 2 | ◎ |
| M16×1.5 | P2 | SSMQ016O | 2.5P | 95 | - | 14 | - | 48 | 12.5 | 10 | 13 | 3 | 2 | ○ |
| M16×1 | P2 | SSMQ016M | 2.5P | 95 | - | 14 | - | 48 | 12.5 | 10 | 13 | 3 | 2 | △ |
| M18×2.5 | P3 | SSMR018R | 2.5P | 100 | - | 20 | - | 51 | 14 | 11 | 14 | 4 | 2 | ○ |
| M18×2 | P3 | SSMR018Q | 2.5P | 100 | - | 18 | - | 51 | 14 | 11 | 14 | 4 | 2 | △ |
| M18×1.5 | P2 | SSMQ018O | 2.5P | 100 | - | 14 | - | 51 | 14 | 11 | 14 | 4 | 2 | △ |
| M18×1 | P2 | SSMQ018M | 2.5P | 100 | - | 14 | - | 51 | 14 | 11 | 14 | 4 | 2 | △ |
| M20×2.5 | P3 | SSMR020R | 2.5P | 105 | - | 20 | - | 50 | 15 | 12 | 15 | 4 | 3 | ◎ |
| M20×2 | P3 | SSMR020Q | 2.5P | 105 | - | 18 | - | 50 | 15 | 12 | 15 | 4 | 3 | △ |
| M20×1.5 | P3 | SSMR020O | 2.5P | 105 | - | 14 | - | 50 | 15 | 12 | 15 | 4 | 3 | △ |
| M20×1 | P2 | SSMQ020M | 2.5P | 105 | - | 14 | - | 50 | 15 | 12 | 15 | 4 | 3 | △ |
| M22×2.5 | P3 | SSMR022R | 2.5P | 115 | - | 20 | - | 55 | 17 | 13 | 16 | 4 | 3 | ○ |
| M22×2 | P3 | SSMR022Q | 2.5P | 115 | - | 18 | - | 55 | 17 | 13 | 16 | 4 | 3 | △ |
| M22×1.5 | P3 | SSMR022O | 2.5P | 115 | - | 14 | - | 55 | 17 | 13 | 16 | 4 | 3 | △ |
| M24×3 | P3 | SSMR024S | 2.5P | 120 | - | 25 | - | 55 | 19 | 15 | 18 | 4 | 3 | ○ |
| M24×2 | P3 | SSMR024Q | 2.5P | 120 | - | 18 | - | 55 | 19 | 15 | 18 | 4 | 3 | △ |
| M24×1.5 | P3 | SSMR024O | 2.5P | 120 | - | 18 | - | 55 | 19 | 15 | 18 | 4 | 3 | △ |
| M27×3 | P3 | SSMR027S | 2.5P | 130 | - | 25 | - | 60 | 20 | 15 | 18 | 4 | 3 | △ |
| M27×2 | P3 | SSMR027Q | 2.5P | 130 | - | 20 | - | 60 | 20 | 15 | 18 | 4 | 3 | △ |
| M27×1.5 | P3 | SSMR027O | 2.5P | 130 | - | 20 | - | 60 | 20 | 15 | 18 | 4 | 3 | △ |
| M30×3.5 | P4 | SSMS030T | 2.5P | 135 | - | 30 | - | 62 | 23 | 17 | 20 | 4 | 3 | △ |
| M30×3 | P3 | SSMR030S | 2.5P | 135 | - | 28 | - | 62 | 23 | 17 | 20 | 4 | 3 | △ |
| M30×2 | P3 | SSMR030Q | 2.5P | 135 | - | 20 | - | 62 | 23 | 17 | 20 | 4 | 3 | △ |
| M30×1.5 | P3 | SSMR030O | 2.5P | 135 | - | 20 | - | 62 | 23 | 17 | 20 | 4 | 3 | △ |
| M33×3.5 | P4 | SSMS033T | 2.5P | 145 | - | 30 | - | 67 | 25 | 19 | 22 | 4 | 3 | △ |
| M33×3 | P3 | SSMR033S | 2.5P | 145 | - | 28 | - | 67 | 25 | 19 | 22 | 4 | 3 | △ |
| M33×2 | P3 | SSMR033Q | 2.5P | 145 | - | 20 | - | 67 | 25 | 19 | 22 | 4 | 3 | △ |
| M33×1.5 | P3 | SSMR033O | 2.5P | 145 | - | 20 | - | 67 | 25 | 19 | 22 | 4 | 3 | △ |
| M36×4 | P4 | SSMS036U | 2.5P | 155 | - | 40 | - | 71 | 28 | 21 | 24 | 4 | 3 | △ |
| M36×3 | P3 | SSMR036S | 2.5P | 155 | - | 30 | - | 71 | 28 | 21 | 24 | 4 | 3 | △ |
| M36×1.5 | P3 | SSMR036O | 2.5P | 155 | - | 20 | - | 71 | 28 | 21 | 24 | 4 | 3 | △ |
| M39×4 | P4 | SSMS039U | 2.5P | 165 | - | 40 | - | 76 | 30 | 23 | 26 | 4 | 3 | △ |
| M42×4.5 | P4 | SSMS042V | 2.5P | 175 | - | 40 | - | 81 | 32 | 26 | 30 | 4 | 3 | △ |
| M45×4.5 | P4 | SSMS045V | 2.5P | 180 | - | 45 | - | 83 | 35 | 26 | 30 | 4 | 3 | △ |
思誠資源為您提供:日本彌滿和YAMAWA螺旋絲攻(盲孔用) S-SP深孔加工用螺旋絲攻的采購報價、YAMAWA(彌滿和)G5DA412CEC39BA型號參數、規格圖片、PDF畫冊等資料,如您想了解更多關于YAMAWA(彌滿和)正品品牌的其他絲攻資料與產品貨期庫存、行情價格,就在思誠資源MRO商城。
備注:因廠家會在沒有任何提前通知的情況下更改產品包裝、產地或者一些附件,本公司不能確??蛻羰盏降呢浳锱c思誠資源網站提供的產品圖片、產地、附件說明等完全一致。若本網站沒有及時更新,敬請諒解!
